产品中心

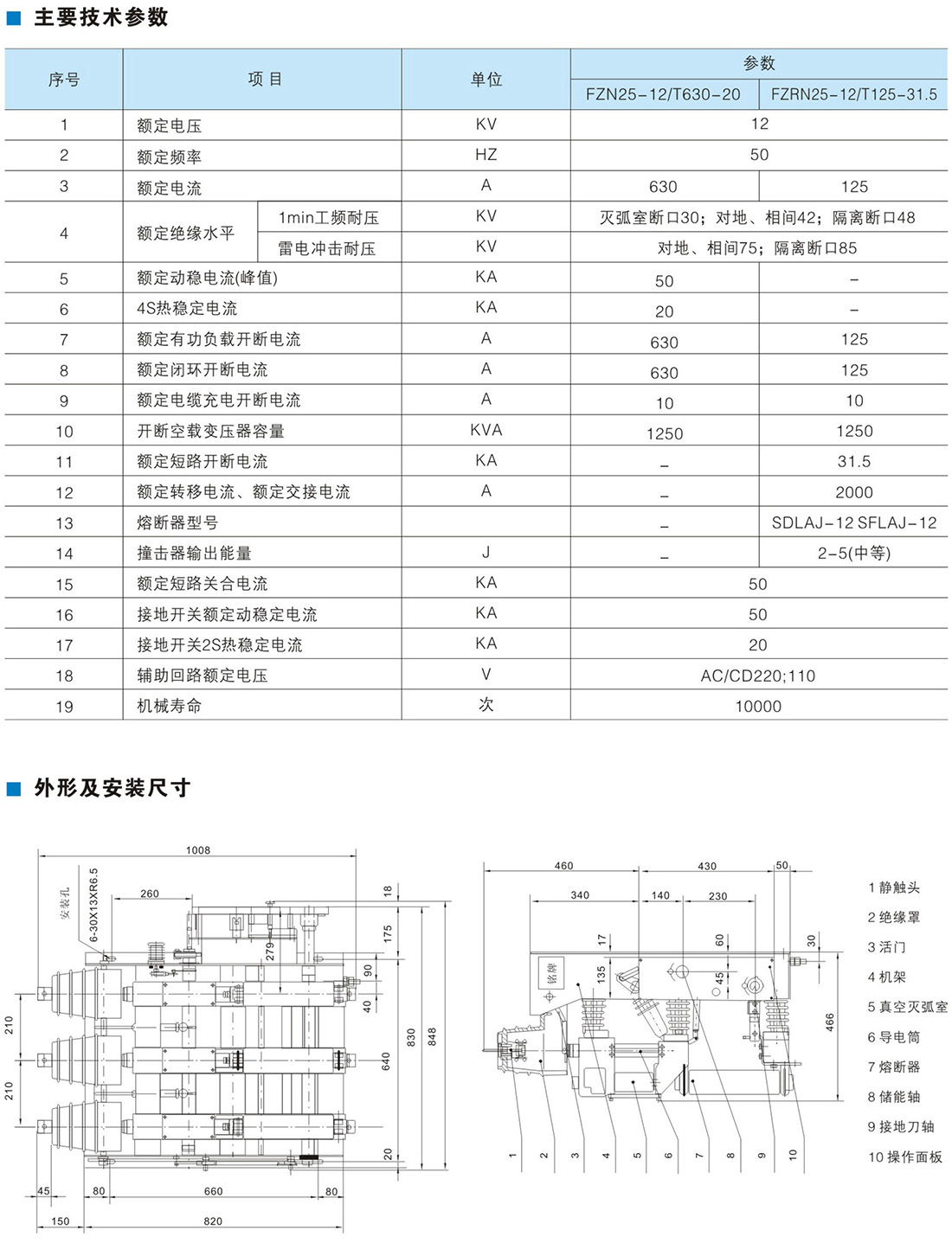
FZN25-12系列户内高压真空负荷开关

Copyright © 郑州良信电力科技有限公司 All Right Reserved.
服务热线:13253617776
地址:河南省郑州市高新技术产业开发区西四环路196号
生产基地:河南省新郑市梨河镇大高庄幸福家园养老中心西侧